Винт ОСТ 1 31534-80 (Д1П)
- Подробно
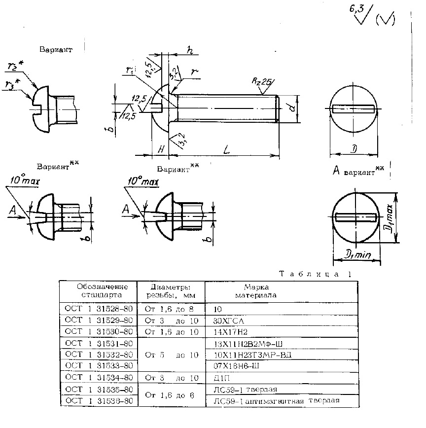
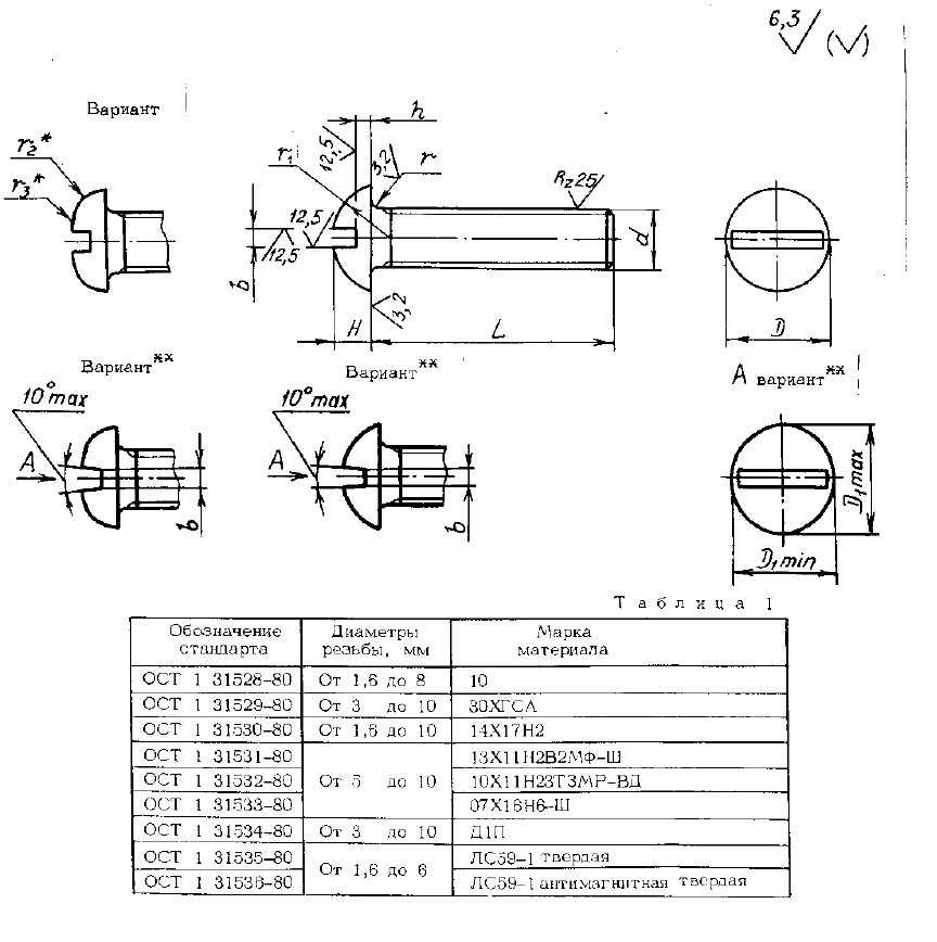
Авиационные нормали: 3168А
Марка материала: Д1П
ТД Техмаш предлагает оформить винт ОСТ 1 31534-80, который имеет конструкцию, состоящую из полукруглой головки со шлицем и стержня цилиндрической формы с резьбой. Данный специализированный крепеж также соответствует авиационной нормали 3168А, благодаря чему распространен в таких ответственных отраслях, как ракето-, турбо- и авиастроение. Материал его изготовления - дюралюминиевый сплав Д1П, отличающийся прочностью и устойчивостью к коррозии.

Марка материала: Д1П
ТД Техмаш предлагает оформить винт ОСТ 1 31534-80, который имеет конструкцию, состоящую из полукруглой головки со шлицем и стержня цилиндрической формы с резьбой. Данный специализированный крепеж также соответствует авиационной нормали 3168А, благодаря чему распространен в таких ответственных отраслях, как ракето-, турбо- и авиастроение. Материал его изготовления - дюралюминиевый сплав Д1П, отличающийся прочностью и устойчивостью к коррозии.








