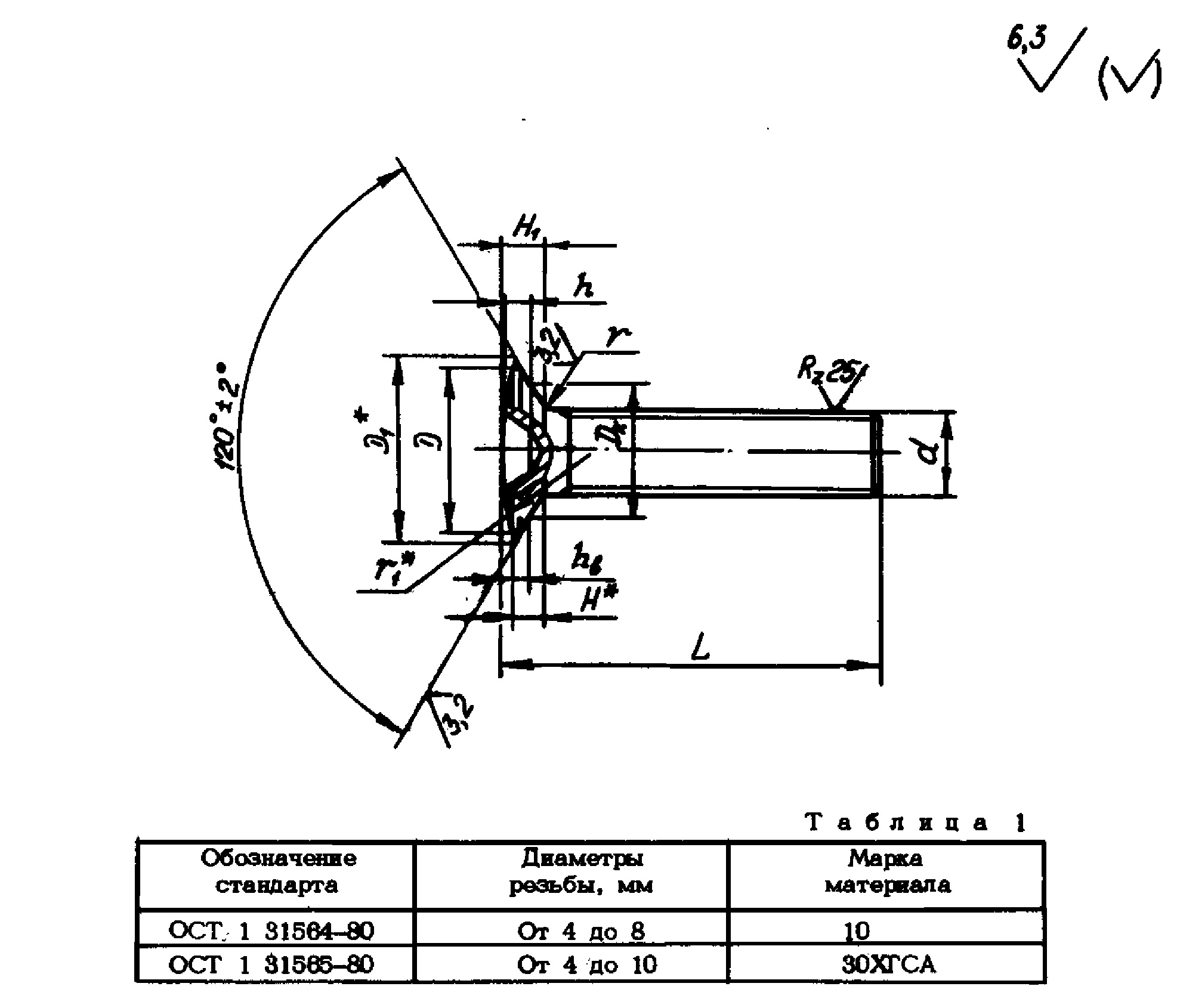
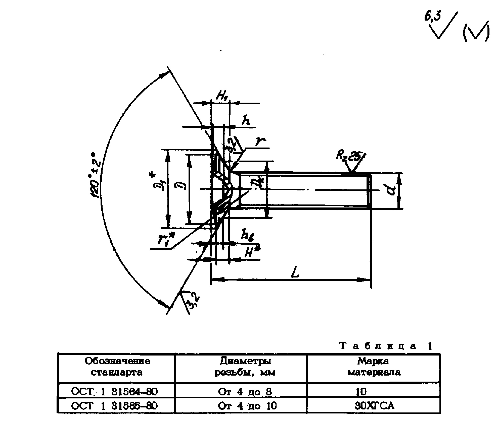
Винт ОСТ 1 31564-80 (10)
- Подробно
Авиационные нормали: 3188А
Марка материала: 10
ТД Техмаш предлагает оформить винт ОСТ 1 31564-80, конструкция которого состоит из полупотайной головки со шлицем, а также стержня цилиндрической формы с резьбой. Он активно применяется в строительстве, энергетике, а также в таких ответственных отраслях, как авиа- и ракетостроение. Это обусловлено его соответствием авиационной нормали 3188А. Материалом изготовления данного специализированного метиза выступает сталь 10, отличающаяся прочностью и долговечностью.

Марка материала: 10
ТД Техмаш предлагает оформить винт ОСТ 1 31564-80, конструкция которого состоит из полупотайной головки со шлицем, а также стержня цилиндрической формы с резьбой. Он активно применяется в строительстве, энергетике, а также в таких ответственных отраслях, как авиа- и ракетостроение. Это обусловлено его соответствием авиационной нормали 3188А. Материалом изготовления данного специализированного метиза выступает сталь 10, отличающаяся прочностью и долговечностью.








